Details of the Engine


The rover 110 in common with most of the other P4 range has a six cylinder engine with an inlet over exhaust valve (IOE) configuration. This is also known as an F-Head configuration. The inlet valves are in the head which has a completely flat surface and are operated by push rods from a side cam. The exhaust valves are in the block operated directly by rocking cam followers. The later P4s used roller cam followers which were supposed to reduce wear. The 110 was fitted with a special head with separate inlet manifold designed by Harry Weslake in order to boost the power output from 102 to 123 BHP. The Weslake head was also used on the P5 three litre engines. If you want to investigate the evolution of the P4 engine specification, you may enjoy a visit to the Rover P4 Drivers Guild website.

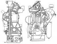
longitudinal engine section transverse engine section

The F-head arrangement gives a combustion chamber that is nearly hemispherical with the ignition point at the centre. From a thermodynamic point of view this is nearly optimum since it reduces the surface area per unit volume available to conduct heat out of, and hence reduce the pressure of, the combustion gasses during the power stroke. There is also plenty of "squish" between the piston crown and the cylinder head face on the compression stroke. This generates turbulence which helps complete combustion. I don't know if these features were by design or accident. The firing order is 1.5.3.6.2.4.

Both the inlet and exhaust valves have hardened inserts in the seats, and on most it is likely that they will be hard enough to resist exhaust valve seat recession when using unleaded petrol providing harder exhaust valves are fitted. One of the club members volunteered to try this out and has found no measurable recession after several thousand miles hard driving. If this proves not to be the case it is possible to fit replacement inserts, or use one of the FBHVC approved additives. The rover Sports Register recently produced a superb article which outlined the various valve and seat materials used over the years. When I can find it I will include a synopsis. It seems that there is a slim chance that the later type valves fitted to the 110 are already suitable for use with unleaded.

These engines are virtually indestructible, but they do get noisier as they wear out. Most problems are likely to be caused by poor lubrication. Virtually all mechanical parts are available, but some are quite expensive. I have always found mechanical repairs quicker and less painful than bodywork repairs but as always prevention is better than cure. If you do nothing else, change the oil every 3000 miles without fail.




BACK TO THE TECHNICAL MENU
HOME